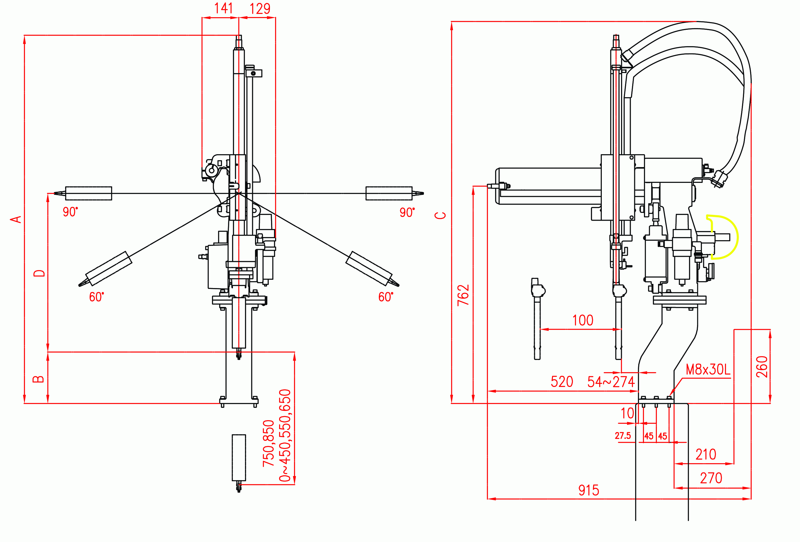
YSxxx
 

 

Model No. YS450 YS550 YS650 YS750 YS850
A 1065~1265 1165~1365 1265~1465 1365~1565 1465~1665
B 115~315 115~315 115~315 75~275 75~275
C 1088~1288 1188~1388 1288~1488 1388~1588 1488~1688
D 421~621 421~621 421~621 461~661 461~661
  
 YSTxxx & YSTVxxx
 

 

Model No. YST(V)450 YST(V)550 YST(V)650 YST(V)750 YST(V)850
A 1065~1265 1165~1365 1265~1465 1365~1565 1465~1665
B 30~230 30~230 30~230 0~190 0~190
C 1088~1288 1188~1388 1288~1488 1388~1588 1488~1688
D 506~706 506~706 506~706 546~736 546~736