>
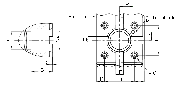
BMT 刀座與刀盤界面